Opis
Żeliwna samozasysająca pompa odśrodkowa wyposażona w zespół Venturiego (eżektor i dyfuzor) z EPP + PS wzmocnionego włóknem szklanym. Praktyczna, łatwa w użyciu i łatwa w transporcie dzięki niewielkiej wadze. Pompa samozasysająca AGA-AGC zainstalowana na płaskim, dobrze zabezpieczonym podłożu pozwala na montaż do 8 metrów. Nadaje się do zastosowań domowych: nawadniania ogrodów, mycia pojazdów i czystej wody w ogóle. Pompa jest lekka i łatwa w transporcie, o niewielkich rozmiarach.
ZASTOSOWANIE
• Podnoszenie ciśnienia w gospodarstwach domowych
• Nawadniania małych ogrodów
• Mycie pojazdów
• Pompowanie czystej wody
SPECYFIKACJA
• Maksymalne ciśnienie pracy: 6 bar dla AGA 0.60-0.75-1.00 10 bar dla pozostałych
• Maksymalna temperatura medium:
35°C w/g EN 60335-2-41 dla użytku domowego
45°C dla innych celów
• Maksymalne ciśnienie ssania: 8 m
MATERIAŁY
• Obudowa pompy: żeliwo
• Pokrywa pompy: stal nierdzewna AISI 304 dla AGA 0.60-0.75-1.00
• Wał pompy: stal nierdzewna AISI 416 dla AGA 0.60-0.75-1.00 oraz AISI 303 dla pozostałych
• Wirnik pompy oraz dyfuzor: technopolimer dla AGA 0.60-0.75-1.00 oraz brąz dla pozostałych
• Uszczelnienie wału: mechaniczne ślizgowe węgiel/ceramika/NB
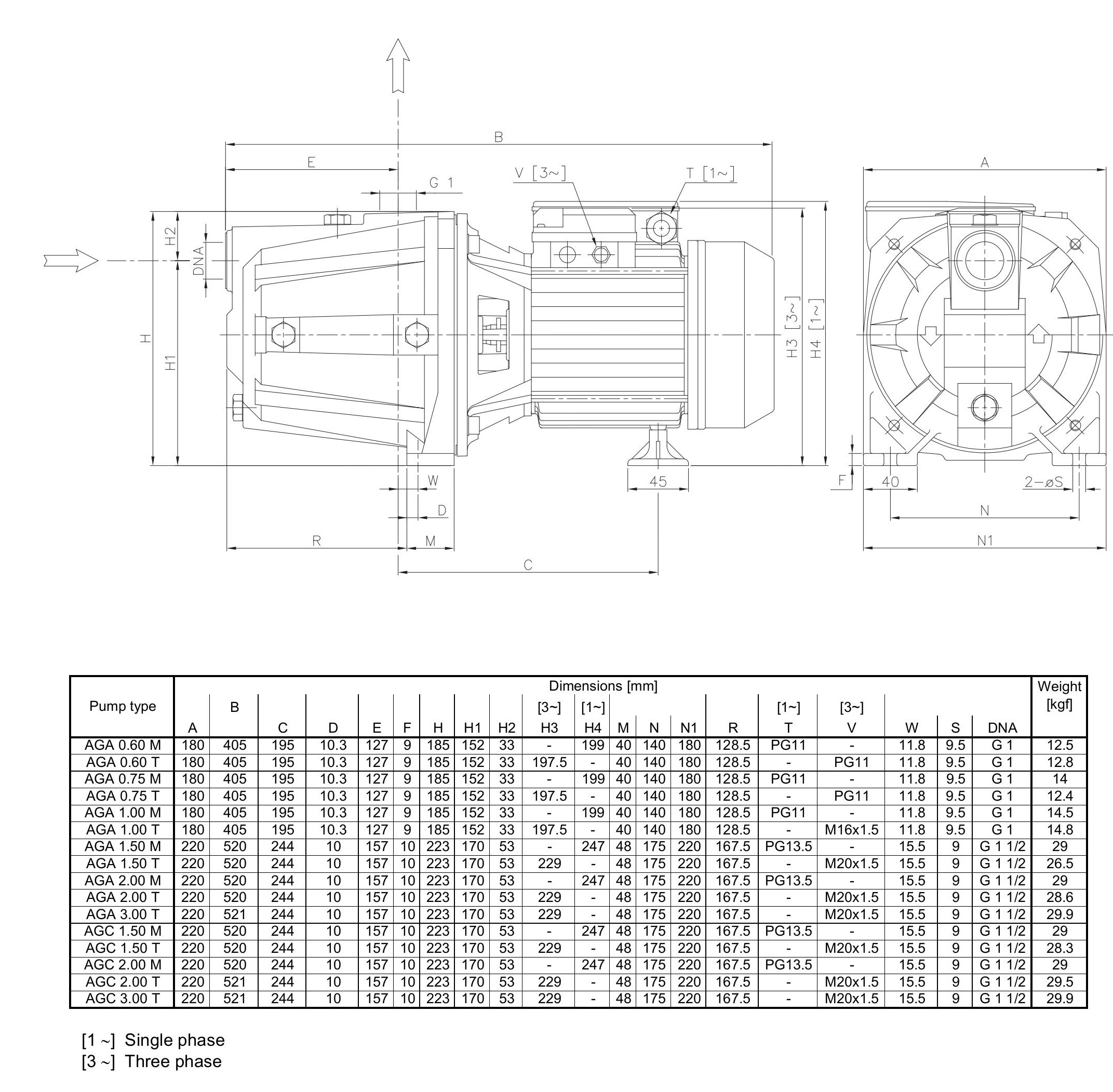
DANE TECHNICZNE
• Asynchroniczny silnik 2-biegunowy
• Klasa izolacji F
• Stopień ochrony IP44
• Zasilanie; 1~230V ± 10% 50Hz, 3~230/400V ± 10% 50Hz
• Wbudowany kondensator rozruchowy oraz zabezpieczenie przeciążeniowe dla wersji jednofazowej
• Zabezpieczenie silnika trójfazowego w gestii użytkownika
• Króciec ssący DNA: 1" dla AGA 0.60-0.75-1.00 oraz 1”1/2 dla pozostałych
• Króciec tłoczony DNM: 1"



