
Opis
Szukasz nowoczesnego rozwiązania do tłoczenia ścieków bytowo-gospodarczych? Pompy zanurzeniowe z rozdrabniaczem Multicut to wysokowydajne i niezawodne urządzenia, które doskonale sprawdzają się w ciśnieniowych systemach kanalizacyjnych. Są idealnym rozwiązaniem do obsługi ścieków z obszarów o rozproszonej zabudowie, takich jak domy jednorodzinne czy niewielkie osiedla.
Najważniejsze cechy i zalety pomp Multicut:
- Skuteczny system rozdrabniania – płyta tnąca z hartowanej stali nierdzewnej oraz trójkątny nóż o wydajności 200 000 cięć na minutę zapewniają maksymalną skuteczność cięcia.
- Ochrona układu hydraulicznego – zanieczyszczenia są rozdrabniane przed dostaniem się do pompy, co zwiększa jej żywotność.
- Samoczyszczący mechanizm tnący – specjalne rowki na płycie tnącej zapobiegają gromadzeniu się zanieczyszczeń.
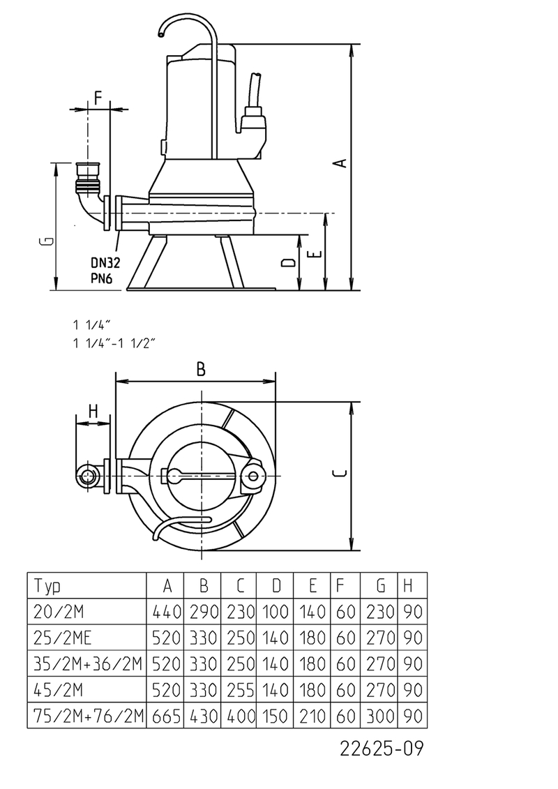
- Przystosowanie do różnych średnic rurociągów – w instalacjach z rozdrabniaczem możliwe jest użycie przewodu o średnicy DN 32, natomiast bez rozdrabniacza minimum DN 80.
- Wysokie bezpieczeństwo eksploatacji – do tłoczenia ścieków ze studzienek podłączonych do kanalizacji publicznej dostępne są modele w wykonaniu przeciwwybuchowym.
Praca w różnych warunkach eksploatacyjnych
- Temperatura medium do 40°C – pompa jest dostosowana do standardowych warunków pracy w gospodarstwach domowych i obiektach komercyjnych.
- Tryby pracy silnika:
- Praca ciągła (S1) – w przypadku pełnego zanurzenia.
- Praca przerywana (S3) – w przypadku silnika niezanurzonego (np. 20% = 2 minuty pracy, 8 minut przerwy).
Dlaczego warto wybrać pompę Multicut?
- Długowieczność i niezawodność – wykonanie z najwyższej jakości materiałów, odporność na ścieranie i korozję.
- Bezproblemowa eksploatacja – skuteczny system tnący i możliwość montażu zgodnie z topografią terenu.
- Łatwa instalacja i obsługa – możliwość zastosowania w różnych układach kanalizacyjnych.
Pompy zanurzeniowe Multicut to doskonałe rozwiązanie dla osób poszukujących wydajnych, trwałych i bezpiecznych urządzeń do tłoczenia ścieków w trudnych warunkach eksploatacyjnych.
| Dane mechaniczne | |
|---|---|
| Pompa |
Pionowa jednostopniowa
|
| Łożysko |
Łożysko kulkowe, smarowane smarem
|
| Uszczelnienie od strony silnika |
Dwustronne uszczelnienie wału od 75/2M: uszczelnienie mechaniczne
|
| Komora olejowa |
tak
|
| Uszczelnienie od strony medium |
Uszczelnienie SiC
|
| Zabezpieczony przed suchobiegiem |
tak
|
| Wirnik |
Typu Vortex, żeliwo szare:
20/2M: GFK |
| Obudowa silnika |
Żeliwo szare
|
| Obudowa pompy |
Żeliwo szare
|
| Zatapialna |
tak
|
| Wyjście tłoczne |
DN 32
|
| Waga |
90 kg
|
| Dane elektryczne | |
|---|---|
| Napięcie |
3/PE~400/690 V
|
| Moc silnika P1 |
7,7 kW
|
| Moc silnika P2 |
6,6 kW
|
| Prąd |
13,2 A
7,7 A
|
| Kabel zasilający |
10m H07RN-F
|
| Żyły |
10G2,5
|
| Rodzaj ochrony |
IP 68
|
| Klasa izolacji |
F
|
| Termik uzwojenia |
tak
|
| Zabezpieczenie silnika |
termostat
|
| Zabezpieczenie urządzenia |
20 A
|
| S3 |
30 %
|
| Charakterystyka | |||||||
|---|---|---|---|---|---|---|---|
| Wysokość podnoszenia H [m] | 34 | 36 | 38 | 40 | 44 | 46 | 48 |
| Wydajność [m³/h] | 17 | 16 | 15 | 13 | 8 | 5 | 2 |




